Описание

Преимущества Fans-tech
Fans-tech Electric Co., Ltd., была основана в 2004 году в Китае. Предприятие специализируется на производстве осевых и центробежных вентиляторов AC и DC подключения, а также энергосберегающих EC вентиляторов. На рынке представлено более 200 различных современных моделей вентиляторов мирового уровня для технологии HVAC, телекоммуникаций, электроники и бытовой техники. На сегодняшний день Fans-tech имеет более 50 технических патентов.
- Прямое подключение рабочего колеса и внешнего ротора;
- Балансировка обеспечивает плавную и долговечно работу вентилятора;
- Увеличенный срок службы;
- Встроенная тепловая защита;
- Компактная конструкция позволяет работать в сложных условиях труда;
- Проектирование и моделирование лопастей дает меньше шума и более высокую производительность.
Описание Fans-tech AF255F4-060-000
- Функция защиты от перегрузки по току, от неправильной полярности, от пониженного и повышенного напряжения;
- Скорость вращения регулируется двумя способами - сигналом 0-10VDC постоянного тока и цифровым ШИМ (PWM);
- Ожидаемый срок службы вентилятора при номинальном напряжении, температуре окружающей среды 40 ℃ и непрерывной работе на полной скорости - 40 000 часов;
- Вентилятор рассчитан на работу при номинальном напряжении 26 В, но может работать в диапазоне напряжения питания 16–32 В. Скорость и производительность изменяются в зависимости от входного напряжения.
Рабочие характеристики Fans-tech AF255F4-060-000 осевой DC

Параметры в точке максимальной эффективности

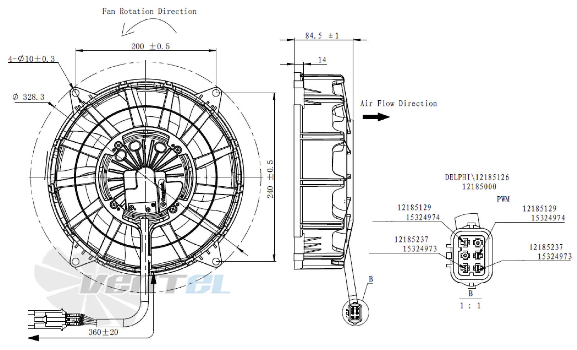
Присоединительные размеры Fans-tech AF255F4-060-000 осевой DC

График подбора рабочей точки


Схема электрического присоединения

Наименование и маркировка

Характеристики
| Тип оборудования | Вентилятор |
| Тип вентилятора [AC/DC] | DC постоянного тока |
| Конструкция | Осевой |
| Типоразмер [мм] | 255 |
| Подшипники | Шарикоподшипник (Ball) |
| Класс изоляции | «F» |
| Уровень шума [dB/A] | 82 |
| Бренд | Fans-tech |
| Серия | AF |
| Вес [кг] | 2.7 |
| Сила тока [A] | 12.7 |
| Производительность [м3/ч] | 2420 |
| Питание [В] | 26 |
| Частота вращения [об/мин] | 4200 |
| Частота вращения [rpm] | 4200 |
| Степень защиты | IP 67 |
| Мощность [кВт] | 0.33 |
| Мощность [W] | 330 |
