Описание
Вентилятор AC.117.342.35 автомобильный осевой
- Высокая эффективность
- Широкий диапазон рабочих температур
- Долгий срок службы
- Малый шум
- Маленький вес
- Универсальность применения
Осевой электровентилятор охлаждения AC.117.342.35 (337 мм) 24V всасывающего типа. Применим в системах охлаждения всех видов автотранспорта – от легковых автомобилей до строительной техники. Также, вентилятор устанавливается на радиаторы различных холодильных установок и кондиционеров. Вентилятор оборудован изолированным водонепроницаемым двигателем с высокой степенью защиты IP68. Корпус герметичный, изготовлен из высококачественного прочного пластика, отлично защищен от попадания влаги и пыли. Конструкция крыльчатки с пятью лопастями прямого типа гарантирует высокий уровень производительности и износоустойчивости оборудования, отличные аэродинамические свойства при пониженном уровне шума.
Серия представлена моделями с рабочим напряжением 12V и 24V в различных типоразмерах.
Является аналогом автомобильного осевого вентилятора VA03-BP70/LL-37S.
Рабочие параметры AC.117.342.35 (337 мм)

Кривая подбора рабочей точки

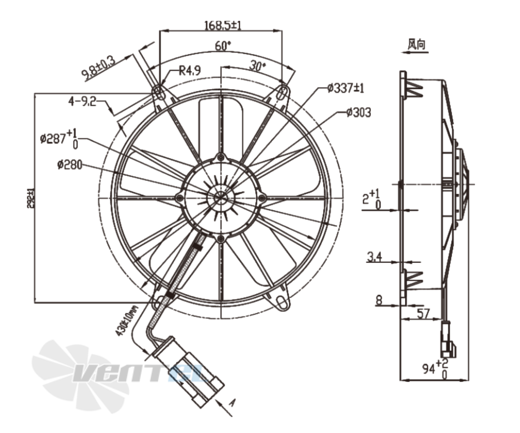
Габаритные и присоединительные размеры AC.117.342.35 (337 мм)

Характеристики
| datasheet | AC11734235 |
| Тип оборудования | Вентилятор |
| Тип вентилятора [AC/DC] | DC постоянного тока |
| Конструкция | Осевой |
| Типоразмер [мм] | 337 |
| Дополнительные свойства | Транспортное исполнение |
| Сила тока [A] | 7 |
| Производительность [м3/ч] | 2100 |
| Питание [В] | 24 |
| Частота вращения [об/мин] | 2800 |
| Частота вращения [rpm] | 2800 |
| Степень защиты | IP 68 |
| Мощность [W] | 179 |
