Описание

Преимущества Fans-tech
Fans-tech Electric Co., Ltd., была основана в 2004 году в Китае - предприятие специализируется на производстве осевых и центробежных вентиляторов AC и DC подключения, а так же энергосберегающие EC вентиляторы. Представляет на рынке более 200 различных современных моделей вентиляторов мирового уровня для технологии HVAC, телекоммуникаций, электроники и бытовой техники. На сегодняшний день Fans-tech имеет более 50 технических патентов.
- Прямое подключение рабочего колеса и внешнего ротора;
- Балансировка обеспечивает плавную и долговечно работу вентилятора;
- Увеличенный срок службы;
- Встроенная тепловая защита;
- Компактная конструкция позволяет работать в сложных условиях труда;
- Проектирование и моделирование лопастей - дает меньше шума и более высокую производительность.
Описание Fans-tech DH280A3-AGT-01
- Центробежный AC вентилятор с вперед загнутыми лопатками;
- Рабочее колесо изготовлено из пластика SGCC;
- Вентилятор оборудован двигателем с внешним ротором;
- Цилиндрический конденсатор переменного тока (16 мкФ/450 В);
- Функция термозащиты: температура отключения - 150-160℃, температура восстановления - 95-125℃;
- Вентилятор рассчитан на работу при номинальном напряжении 230 В, но может работать в диапазоне переменного напряжения от 207 до 253 В;
- Ожидаемый срок службы вентилятора при номинальном напряжении, температуре окружающей среды 40 ℃ и непрерывной работе на полной скорости - 20 000 часов. В зависимости от фактических условий эксплуатации срок службы изделия может отличаться.
Рабочие характеристики Fans-tech DH280A3-AGT-01 центробежный AC

Параметры в точке максимальной эффективности

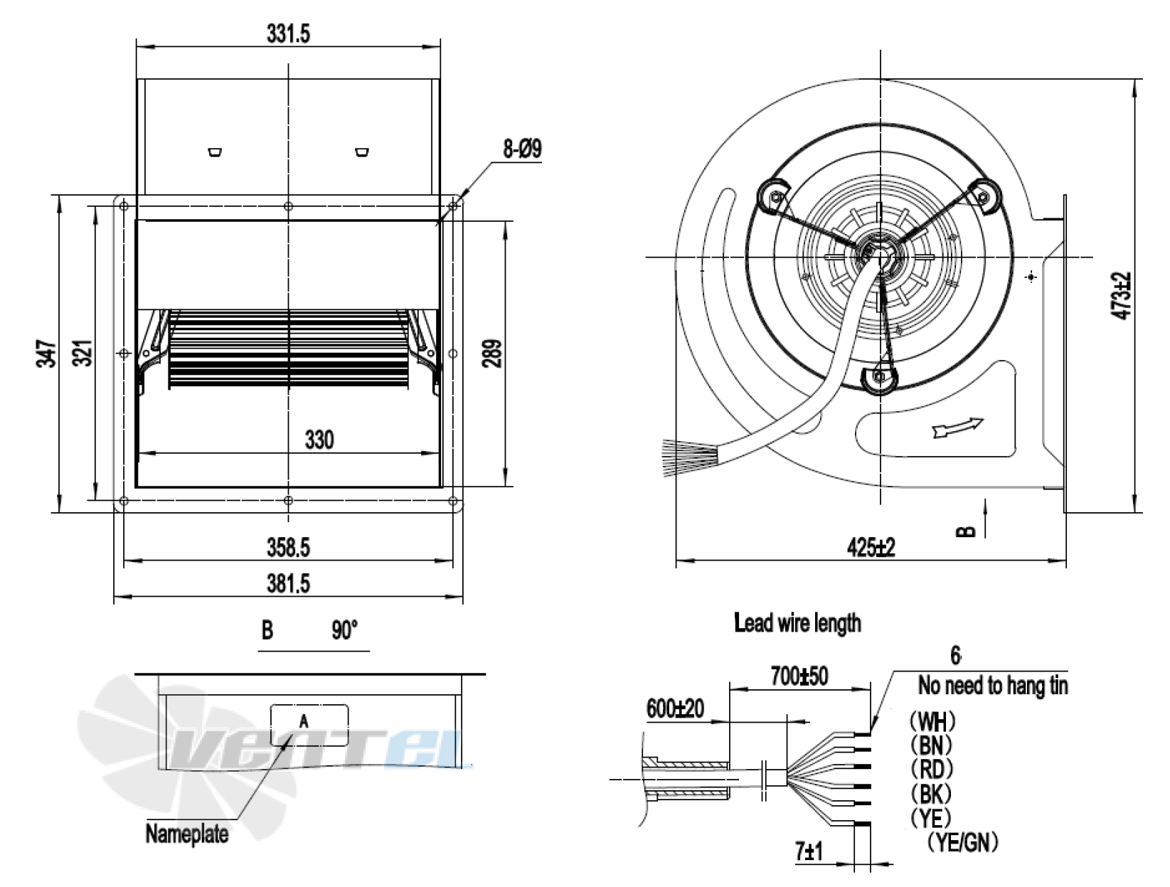
Присоединительные размеры Fans-tech DH280A3-AGT-01 центробежный

График подбора рабочей точки

Схема электрического присоединения и шильдик

Наименование и маркировка

Характеристики
| Тип оборудования | Вентилятор |
| Тип вентилятора [AC/DC] | AC переменного тока |
| Конструкция | Радиальный, Центробежный |
| Типоразмер [мм] | 280 |
| Материал | Сталь |
| Класс изоляции | «F» |
| Уровень шума [dB/A] | 74 |
| Бренд | Fans-tech |
| Серия | DH |
| Вес [кг] | 17.7 |
| Сила тока [A] | 3.4 |
| Производительность [м3/ч] | 3600 |
| Частота [Гц] | 50 |
| Питание [В] | 230 |
| Исполнение | вперед загнутые лопатки |
| Частота вращения [об/мин] | 715 |
| Частота вращения [rpm] | 715 |
| Мощность [кВт] | 0.7 |
| Мощность [W] | 700 |
