Описание

Описание Weiguang YWF
В серии осевых вентиляторов YWF используются два типа моторов: однофазные асинхронные конденсаторные и трехфазные асинхронные. Напряжение однофазных моделей составляет 220В/50Гц, напряжение трехфазных моделей - 380В/50Гц. Эти моторы широко используются в сушилках, испарителях и другом оборудовании холодильной и вентиляционной отрасли. Осевые вентиляторы серии YWF оборудованы внешним мотором. Эти двигатели обладают такими характеристиками, как компактная структура, высокая эффективность, удобная установка, экономия электроэнергии.
Weiguang YWF4D-170S-92/15-G:
- Класс изоляции F.
- Режим работы S1 (продолжительный).
- Класс защиты IP 54.
- Работают при температуре окружающей среды от -30°С до +60°С.
- Средний срок службы превышает 30000 часов.
- Все вентиляторы получили утверждение CE в Европе и CCC сертификат безопасности в Китае.
- Перед запуском вентилятора не забудьте про заземление.
Рабочие характеристики Weiguang YWF4D-170S-92/15-G

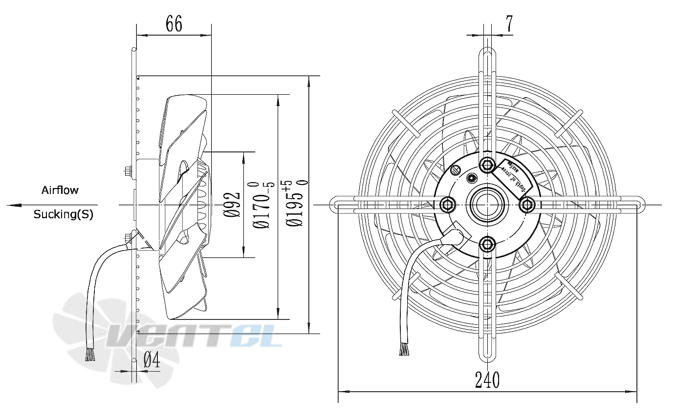
Чертеж и присоединительные размеры Weiguang YWF4D-170S-92/15-G

Шильдик Weiguang YWF4D-170S-92/15-G

Схема электрического присоединения

Характеристики
| Тип оборудования | Вентилятор |
| Тип вентилятора [AC/DC] | AC переменного тока |
| Конструкция | Осевой |
| Направление потока | Всасывание (S-Sucking) |
| Типоразмер [мм] | 170 |
| Подшипники | Шарикоподшипник (Ball) |
| Класс изоляции | «F» |
| Гарантия | 1 год |
| Уровень шума [dB/A] | 45 |
| Бренд | Weiguang |
| Серия | YWF |
| Вес [кг] | 2 |
| Сила тока [A] | 0.1 |
| Частота [Гц] | 50 |
| Питание [В] | 380 |
| Исполнение | Решетка |
| Частота вращения [об/мин] | 1470 |
| Частота вращения [rpm] | 1470 |
| Степень защиты | IP 54 |
| Мощность [кВт] | 0.032 |
| Мощность [W] | 620 |
- Категории:
- Осевые
