Описание

Описание Weiguang YWF4D-630B-168/80-B осевой
Осевые вентиляторы серии YWF оборудованы внешним мотором. В серии используются два типа моторов: однофазные асинхронные конденсаторные и трехфазные асинхронные. Эти двигатели отличаются высокой эффективностью, компактной структурой, удобной установкой, значительно экономят электроэнергию. Напряжение однофазных моделей - 220В/50Гц, напряжение трехфазных моделей - 380В/50Гц. Оборудование широко используется в сушилках, испарителях и других устройствах холодильной и вентиляционной отраслей.
Weiguang YWF4D-630B-168/80-B:
- Класс изоляции F.
- Класс защиты IP54.
- Режим работы S1 (продолжительный);
- Работают при температуре окружающей среды от -30°C до 60°C.
- Средний срок службы превышает 30000 часов.
- Все вентиляторы получили утверждение CE в Европе и CCC сертификат безопасности в Китае.
- Перед запуском вентилятора не забудьте про заземление.
Характеристики Weiguang YWF4D-630B-168/80-B

Кривая подбора рабочей точки

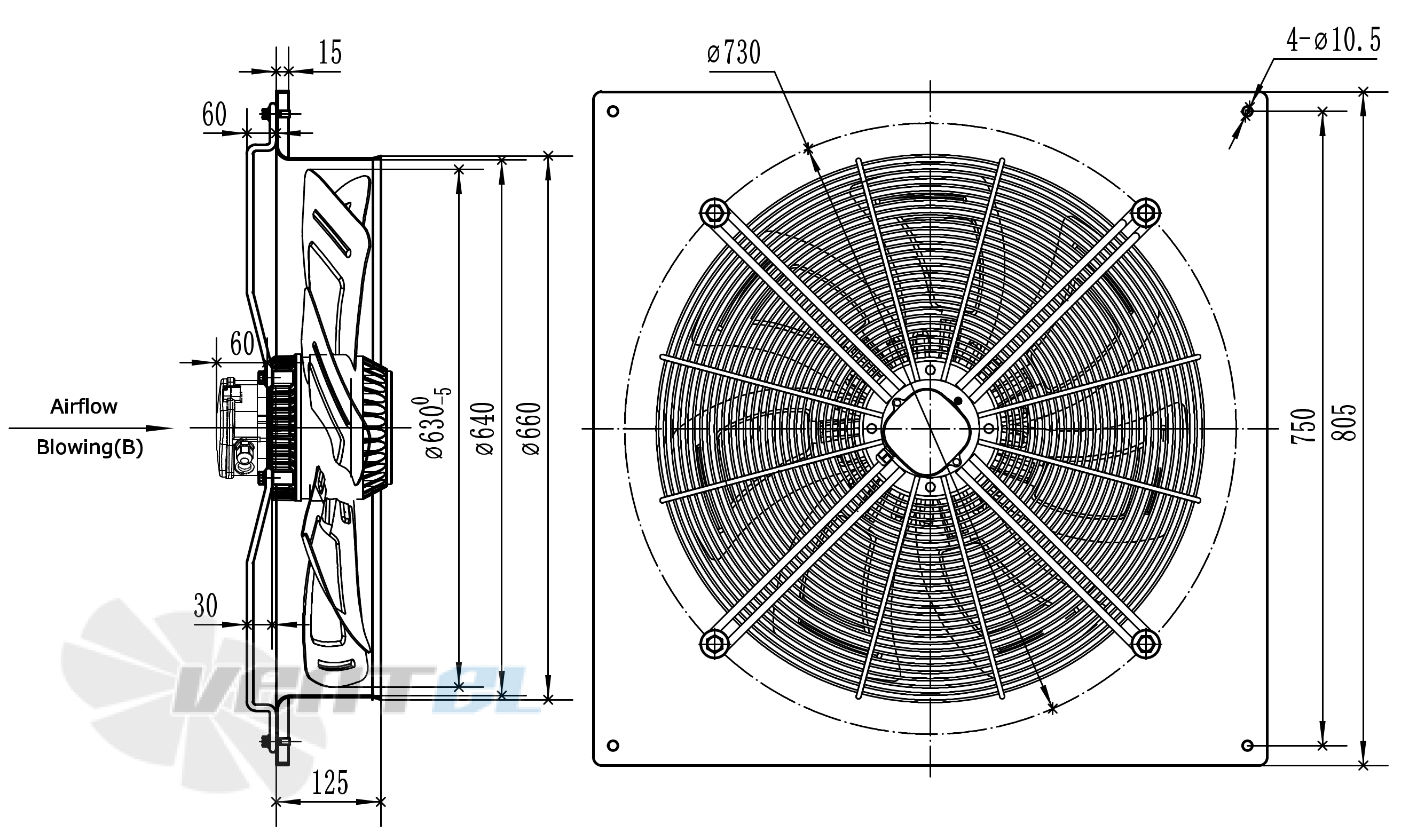
Габаритные, присоединительные размеры Weiguang YWF4D-630B-168/80-B

Шильдик и схема электрического присоединения

Характеристики
| Тип оборудования | Вентилятор |
| Тип вентилятора [AC/DC] | AC переменного тока |
| Конструкция | Осевой |
| Направление потока | Нагнетание (B-Blowing) |
| Типоразмер [мм] | 630 |
| Подшипники | Шарикоподшипник (Ball) |
| Класс изоляции | «F» |
| Гарантия | 1 год |
| Уровень шума [dB/A] | 80 |
| Бренд | Weiguang |
| Серия | YWF |
| Вес [кг] | 34 |
| Сила тока [A] | 3.4 |
| Производительность [м3/ч] | 16800 |
| Частота [Гц] | 50 |
| Питание [В] | 380 |
| Исполнение | Монтажная плита |
| Частота вращения [об/мин] | 1380 |
| Частота вращения [rpm] | 1380 |
| Степень защиты | IP 54 |
| Мощность [кВт] | 1.9 |
| Мощность [W] | 1900 |
| Давление [Pa] | 180 |
- Категории:
- Осевые
