Описание
Общее описание вентиляторов серии YUW:
- Рабочее колесо изготовлено из алюминиевого сплава, устойчивого к коррозии.
- Размер рабочего колеса от 133 до 630 мм.
- Объем расходуемого воздуха до 25 000 м3/ч, статическое давление до 1600 Па.
- Высокоэффективный бесщеточный EC двигатель с внешним ротором.
- Плавная регулировка скорости.
- Управление осуществляется с помощью аналогового сигнала 0-10 В постоянного тока и MODBUS.
- Аэродинамическая конструкция лопастей обеспечивает высокую эффективность и низкий уровень шума при работе.
- Рабочее колесо приварено, прочный кронштейн двигателя.
- Вентиляторы динамически сбалансированы.
Рабочие параметры вентилятора YUWB400AR-EAOB50

Кривая подбора рабочей точки


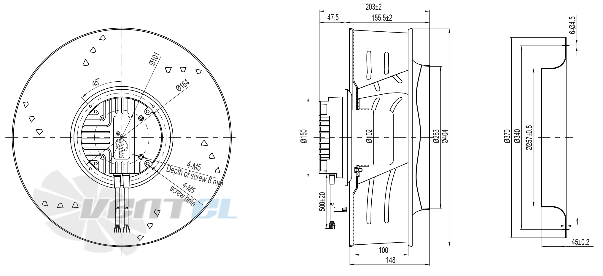
Габаритные и присоединительные размеры

Характеристики
| Тип оборудования | Вентилятор |
| Тип вентилятора [AC/DC] | EC энергосберегающий |
| Конструкция | Радиальный, Рабочее колесо, Центробежный |
| Типоразмер [мм] | 400 |
| Материал | Алюминий |
| Класс изоляции | «B» |
| Серия | YUW |
| Сила тока [A] | 2.24 |
| Производительность [м3/ч] | 3363 |
| Питание [В] | 200, 240 |
| Исполнение | обратно загнутые лопатки |
| Частота вращения [об/мин] | 1700 |
| Частота вращения [rpm] | 1700 |
| Степень защиты | IP 44 |
| Мощность [кВт] | 0.5 |
| Мощность [W] | 500 |
| Давление [Pa] | 509 |
